Uutiset:

Kirjoittaja Aihe: Lämpötila Oilon cube house  (Luettu 5641 kertaa)

Poissa Jounie

  • Täysjäsen
  • ***
  • Viestejä: 33
  • Maalämpöfoorumi
Lämpötila Oilon cube house
« : 26.07.20 - klo:10:02 »
Saakos jostain säädettyä tuon lämmityspuolen kiertoveden lämpötilaa siten ettei se mene tietyn lämpötilan alle?
Nyt kun olisi  pientä lämmön tarvetta niin tuo lämpökäyra menee tavoite lämmön alle niin eihän se oikein lämmitä. Eli kun olisi tavoite huonelämpö 22 astetta niin saisi kiertoveden lämmön vaikka siten ettei se mene tuon lämpötilan alle. Tarve lämpötila vois olla vaikka 24 astetta minkä alle tuo kierron lämpö ei menisi.
Nyt joutuu nostamaan käsin tuota tuota sisälämmön pyyntiä korkeammalle kun haluaa lämpöä sisälle ei kiva kun muuten automatiikka laittaa lämmöt päälle tarvittaessa.
Laitteistossa on puskurivaraaja ja patteri lämmitys mutta ei taida nämä vaikuttaa mitenkään asiaan.   

Poissa Alokas

  • Nuorempi jäsen
  • **
  • Viestejä: 10
  • Maalämpöfoorumi
Vs: Lämpötila Oilon cube house
« Vastaus #1 : 28.07.20 - klo:11:13 »
kirjaudutaan käyttöönottotasolla sisään, ja parametrilistalle, josta sitten lämmityspiirivalikosta parametri 740: Arvoksi asetetaan esimerkiksi tuo 24 astetta niin lämpötila ei laske asetellun arvon alle.

Käyttöohjeesta löytyy syvällisempi ohjeistus.

"11.3.1 Menoveden lämpötilan ylä- ja alarajat
Lämmityskäyrälle voi asettaa ylä- ja alarajan riveillä 740 ja 741. Lämmityspiirin menoveden
asetusarvo ei ylitä ylärajaa eikä alita alarajaa, vaikka lämmityskäyrä osoittaisi korkeampaa tai
matalampaa lämpötilaa. Rajat ovat käytössä sekä lämmityskäyrään että huonelämpötilaan
perustuvassa ohjauksessa. Huomioi rajoissa rivin 5810 lämpötilaero ja rivin 2840 kytkentäero, jos
kytkentä ei sisällä lämmityspiirin varaajaa (kappale 13).
Edellä mainittujen rajojen lisäksi rivillä 2855 (F-sarja) lauhduttimelta lähtevän menoveden
lämpötilalle voi asettaa ylärajan, jonka ylittyessä lämpöpumppu sammutetaan (kappale 24.1).
Toiminto on tarkoitettu suojaamaan lämmityspiiriä liian korkeilta lämpötiloilta Tämä raja on syytä
asettaa lattialämmitykselle, jos järjestelmässä ei ole lämmityspiirin puskurivaraajaa ja siihen
kytkettyä lämmityspiirin säätöventtiiliä. Jos menovesi ei saa ylittää hetkeksikään rivin 2855 rajaa,
tulee rivin 2839 (kappale 11.3.3) aika ottaa pois käytöstä (---).
Lämpötilan ylä- ja alaraja riippuvat lämmityspiirin toimintatavasta ja lattiarakenteesta. Sopivat arvot
on aina syytä tarkistaa lämmityspiirin valmistajan ja toimittajan ohjeista. Lattialämmityspiirien
menoveden lämpötila saa esimerkiksi yleensä olla korkeintaan noin 35–45 °C ja matalimmillaan
noin 25 °C. Betonilattiassa tavoiteltu lämmitysteho saavutetaan yleensä noin 30–35 °C menoveden
lämpötilalla ja puurakenteisissa lattioissa noin 40–45 °C menoveden lämpötilalla. Sopivat arvot on
valittava tapauskohtaisesti, koska lämmitysjärjestelmät, rakennukset ja ihmisten käyttötottumukset
ovat erilaisia.
Jos järjestelmässä ei ole lisälämmönlähdettä, kuten sähkövastusta tai sähkökattilaa, pitää
lämmityspiirin menoveden ylärajan olla matalampi, kuin tehtaalla asetettu poiskytkentälämpötila
(rivi 2844). Näin lämmityskäyrä ei pyydä lämmitykseen poiskytkentälämpötilaa kuumempaa vettä.
Ylärajassa pitää huomioida kytkentäero, jonka vuoksi lämpöpumpulta lähtevä vesi voi olla
177
kytkentäeron verran asetusarvoa korkeampi. Tästä syystä ylärajan saa asettaa korkeimmillaan
2…4 °C päähän poiskytkentälämpötilasta."

Oilon Cube Inverter+ 3-12, Oilon 1050l puskurivaraaja, passiiviviilennys lattiapiiriin 
297 m kaivo, maapeite 60m (50mm kollektori)
Asuinpinta-ala noin 200m2, noin 1100m3

Poissa Roori

  • Konkari
  • *****
  • Viestejä: 5 323
  • Maalämpo... Ollakko vai Ei....KYLLÄ
Vs: Lämpötila Oilon cube house
« Vastaus #2 : 28.07.20 - klo:12:22 »
Oilon Cube Inverter+ 3-12, Oilon 1050l puskurivaraaja, passiiviviilennys lattiapiiriin
297 m kaivo, maapeite 60m (50mm kollektori)
Asuinpinta-ala noin 200m2, noin 1100m3
@Alokas:lla on mielenkiintoinen kombinaatio, onko sinulla tuosta kokonaisuudesta kaavio piirretty?
Olis mielenkiintoista kuulla kuinka tuo kombo pelaa ja onko cop:sta käsitystä?
Ilmeisesti esilämmityskierukka(t) tuossa puskurissa?

Tässä on mietinnässä mitä joskus seuraavaksi laittais systeemiksi tommosen hybridivaraajan kaveriksi ja Oiloni ei kuulosta huonolta mitä noita papereita silmäillyt... enempi tämmönen 'Genuine parts' kokonaisuus, eli varaosia saa kaupasta eikä ole naimisissa jonkun valmistajan oem-osissa.

Poissa Jounie

  • Täysjäsen
  • ***
  • Viestejä: 33
  • Maalämpöfoorumi
Vs: Lämpötila Oilon cube house
« Vastaus #3 : 28.07.20 - klo:18:57 »
Kiitos. Pitää kokeilla tuota 740 kun kelit jäähtyy.

Poissa Alokas

  • Nuorempi jäsen
  • **
  • Viestejä: 10
  • Maalämpöfoorumi
Vs: Lämpötila Oilon cube house
« Vastaus #4 : 28.07.20 - klo:23:57 »
@Alokas:lla on mielenkiintoinen kombinaatio, onko sinulla tuosta kokonaisuudesta kaavio piirretty?
Olis mielenkiintoista kuulla kuinka tuo kombo pelaa ja onko cop:sta käsitystä?
Ilmeisesti esilämmityskierukka(t) tuossa puskurissa?

Tässä on mietinnässä mitä joskus seuraavaksi laittais systeemiksi tommosen hybridivaraajan kaveriksi ja Oiloni ei kuulosta huonolta mitä noita papereita silmäillyt... enempi tämmönen 'Genuine parts' kokonaisuus, eli varaosia saa kaupasta eikä ole naimisissa jonkun valmistajan oem-osissa.

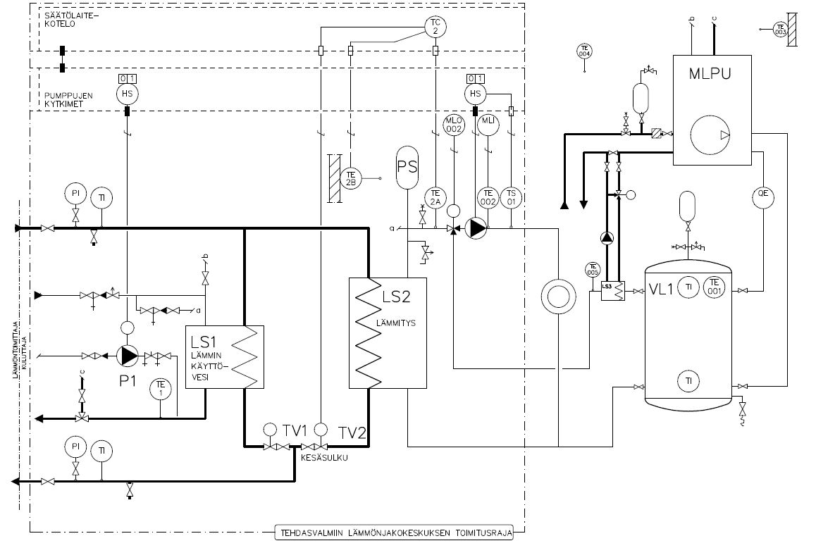
Ohessa kokonaisuuden yksinkertaistettu kaavio. Esilämmityskierukkaa ei ole vielä, mutta mahdollisuus lisätä on. Iso puskurivaraaja on peruja ilmavesilämpöpumpukokeilusta, jonka vaihdoin tähän häiritsevästä melusta, huonosta COP:sta ja muista IVLP "ominaisuuksista" johtuen. Kaukolämmön jätin ainakin alkuun rinnalle. Käyttökokemusta on kertynyt vasta lokakuulta, mutta kokonaisuus on toiminut hyvin mitä nyt varaajasäädön kanssa on vähän joutunut hakemaan asetuksia. Iso puskuri on invertteripumpun ja lattialämmityksen kanssa turha, mutta ei siitä ole haittaakaan ollut. En mittaa käyttöveden tuotantoa joten kokonais COP:sta ei ole tarkempaa tietoa julkaistavaksi. Jotain varmaan kertoo kuitenkin se, että ennen pumppua kaukolämpöä on mennyt 33-39MWh vuodessa ja sähköä 9-11 MWh. Nyt uskon pääseväni noin 15MWh tasoon sähkössä, eikä kaukolämpöä kulu. Lisäksi käyttövettä ja taloussähköä mennee aiempaa omistajaa enemmän suuremmasta henkilömäärästä johtuen. Energiankulutukseen vaikuttaa osaltaan reilu vuosi sitten uusittu energiatehokkaampi ilmanvaihtokone ja energiatehokkaampi valaistus (ledit).
Oilon Cube Inverter+ 3-12, Oilon 1050l puskurivaraaja, passiiviviilennys lattiapiiriin 
297 m kaivo, maapeite 60m (50mm kollektori)
Asuinpinta-ala noin 200m2, noin 1100m3

Poissa Roori

  • Konkari
  • *****
  • Viestejä: 5 323
  • Maalämpo... Ollakko vai Ei....KYLLÄ
Vs: Lämpötila Oilon cube house
« Vastaus #5 : 29.07.20 - klo:10:03 »
No onhan tuossa mainio kaavio, kaikkien pitäisi tälläinen tehdä kun näiden kanssa painii...helpottaa hahmottamaan toimintaa.
Ajattelit oikein kunnolla varmistaa muutoksen toiminnan kun jätit kaukolämmön toistaiseksi  8) lieneen kumminkin kalliit perusmaksut pitää pidemmän päälle?
Onhan nuo lukemat aikas vakuuttavat jos noin toteutuvat vaikka olikin lämmin talvi...42-50MWh>>>>15MWh, tiputusta ~30MWh eli suoran sähkön hinnalla >3000€.
Näitä IVLP>maalämpöön vaihtajia, tai PILP:stä, on jostain syystä enemmän kuin toisinpäin.  ;D
Itse mittasin LTO koneen vaihdon vaikuttavan 500KWh/a sähkön kulutuksessa ja ehkä toisen mokoman talteenoton paranemisena MLP kanssa, eli ~juuri maksaa itsensä elinaikanaan ja asumismukavuus parani.

Puskuri, tai oikeastaan varaaja tuon kaavion perusteella kun ei ole sarjassa, antaa joustoa tulevaisuuteen kun koskaan ei tiedä miten asiat muuttuu...siihen voi vaikka varastoida jotain vaikka onkin kuten mainitsit 'turha' lattialämmityksellä.

Esilämmityksen taitaa saada edullisemmin levyvaihtimella kuin kierukalla...
Oilonin LV tuotanto sitten riittää jo yksistäänkin, montako henkee teitä on?


Mikä varaajasäädössä oli ylämäkenä?
Kuinka Oiloni tekee vaihdon lämmityksestä LV tekoon ja toisinpäin, pitääkö välipausseja?
Muistaako se nopeutensa lähtöarvoksi kun palaa lämmityksee?
Onko nopeussäätö ihan portaaton vai loikkiiko vaihteita läpi?
Saako muuten Oilonista ulos jotain käyntikäyriä tjms, kuten esim Nibe vehkeistä foorumissa ainakin on logia näkyvissä?


Poissa Alokas

  • Nuorempi jäsen
  • **
  • Viestejä: 10
  • Maalämpöfoorumi
Vs: Lämpötila Oilon cube house
« Vastaus #6 : 30.07.20 - klo:08:59 »

Ajattelit oikein kunnolla varmistaa muutoksen toiminnan kun jätit kaukolämmön toistaiseksi  8) lieneen kumminkin kalliit perusmaksut pitää pidemmän päälle?

Itse mittasin LTO koneen vaihdon vaikuttavan 500KWh/a sähkön kulutuksessa ja ehkä toisen mokoman talteenoton paranemisena MLP kanssa, eli ~juuri maksaa itsensä elinaikanaan ja asumismukavuus parani.

Esilämmityksen taitaa saada edullisemmin levyvaihtimella kuin kierukalla...
Oilonin LV tuotanto sitten riittää jo yksistäänkin, montako henkee teitä on?


Mikä varaajasäädössä oli ylämäkenä?
Kuinka Oiloni tekee vaihdon lämmityksestä LV tekoon ja toisinpäin, pitääkö välipausseja?
Muistaako se nopeutensa lähtöarvoksi kun palaa lämmityksee?
Onko nopeussäätö ihan portaaton vai loikkiiko vaihteita läpi?
Saako muuten Oilonista ulos jotain käyntikäyriä tjms, kuten esim Nibe vehkeistä foorumissa ainakin on logia näkyvissä?



Tuo hybridikytkentä on myös peruja IVLP kokeilusta. IVLP:hän ei kylmemmillä keleillä toimi (tai on käytännössä sähkölämmitys) ja joku muu lämmiitys on oltava niin tässä tapauksessa olisi pitänyt suurentaa sähköliittymää kun 3X25A ei olisi enää kovemmilla pakkasilla riittänyt. Varmuus on nyt ainakin maksimissaan, mutta todennäköisesti luovun KL:stä jossain vaiheessa noiden kiinteiden maksujen vuoksi.

Ilmanvaihdon saneerauksessa suuri hyöty oli itsellä myös asumismukavuuden paraneminen. Uusi kone on paljon hiljaisempi ja säätömahdollisuudet ovat monipuolisemmat ja ennenkaikkea käytettävämmät kun ei tarvitse kesäasentoja käydä säätämässä vintillä... Jätin jälkilämmityksen kuitenkin sähkölle koska pyöriväkennoisessa koneessa jälkilämmitystarve on melko pieni ja vesipatteri olisi vaatinut aika paljon enemmän työtä.

Esilämmitys vaihtimella on varmasti mahdollinen, mutta luulen sen tulevan kalliimmaksi lisäpumpun tarpeesta johtuen, vai miten ajattelit toteuttaa?

Käyttövesi on riittänyt hyvin tähän saakka viidelle hengelle ja anopiltakaan ei ole tullut moitteita...

Varaajasäädössä toimivaksi saattaminen vaati tehdasasetuksien optimointia, kun niillä kone tuppasi käymään pätkäkäyntiä isohkolla teholla.

Kone siirtyy katkotta lämmityskäytöstä käyttöveden tuotantoon ja päinvastoin. En ole selvittänyt käyttöveden lopetuksen detaljeja tuolla tarkkuudella, mutta yleensä käyttöveden tuotantojakson lopussa kone ajaa tehon minimiin tehon tarpeen pienentyessä varaajan täyttyessä jolloin lämmitys lähtee siististi siitä eteenpäin. 

Oilonin kone on oikea invertterikone eli portaaton.

Niben tyyppistä tikkulogia ei ole, mutta invertteri koneen mukana tulee etäyhteysmoduuli, jolla saa tiedot talteen exeliin vaikka ajastettuna ja myös sähköpostihälytykset. Seurattavat suureet voi valita ja taajuuden myös suurekohtaisesti. 
Oilon Cube Inverter+ 3-12, Oilon 1050l puskurivaraaja, passiiviviilennys lattiapiiriin 
297 m kaivo, maapeite 60m (50mm kollektori)
Asuinpinta-ala noin 200m2, noin 1100m3