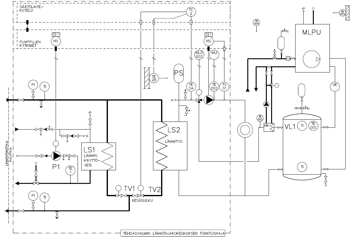
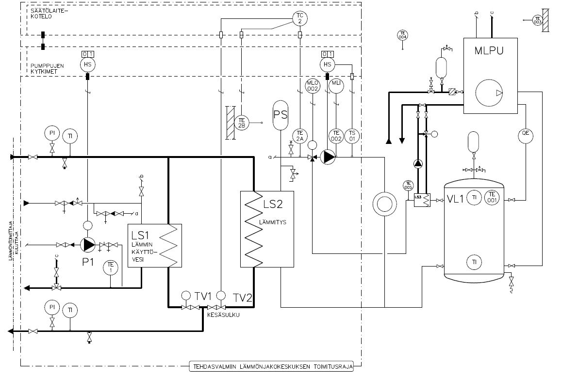
No onhan tuossa mainio kaavio, kaikkien pitäisi tälläinen tehdä kun näiden kanssa painii...helpottaa hahmottamaan toimintaa.
Ajattelit oikein kunnolla varmistaa muutoksen toiminnan kun jätit kaukolämmön toistaiseksi

lieneen kumminkin kalliit perusmaksut pitää pidemmän päälle?
Onhan nuo lukemat aikas vakuuttavat jos noin toteutuvat vaikka olikin lämmin talvi...42-50MWh>>>>15MWh, tiputusta ~30MWh eli suoran sähkön hinnalla >3000€.
Näitä IVLP>maalämpöön vaihtajia, tai PILP:stä, on jostain syystä enemmän kuin toisinpäin.

Itse mittasin LTO koneen vaihdon vaikuttavan 500KWh/a sähkön kulutuksessa ja ehkä toisen mokoman talteenoton paranemisena MLP kanssa, eli ~juuri maksaa itsensä elinaikanaan ja asumismukavuus parani.
Puskuri, tai oikeastaan varaaja tuon kaavion perusteella kun ei ole sarjassa, antaa joustoa tulevaisuuteen kun koskaan ei tiedä miten asiat muuttuu...siihen voi vaikka varastoida jotain vaikka onkin kuten mainitsit 'turha' lattialämmityksellä.
Esilämmityksen taitaa saada edullisemmin levyvaihtimella kuin kierukalla...
Oilonin LV tuotanto sitten riittää jo yksistäänkin, montako henkee teitä on?
Mikä varaajasäädössä oli ylämäkenä?
Kuinka Oiloni tekee vaihdon lämmityksestä LV tekoon ja toisinpäin, pitääkö välipausseja?
Muistaako se nopeutensa lähtöarvoksi kun palaa lämmityksee?
Onko nopeussäätö ihan portaaton vai loikkiiko vaihteita läpi?
Saako muuten Oilonista ulos jotain käyntikäyriä tjms, kuten esim Nibe vehkeistä foorumissa ainakin on logia näkyvissä?
