Uutiset:

Kirjoittaja Aihe: OKT135m2 + autotalli 80m2 kanaali 40m maalämmön mitoitus  (Luettu 16109 kertaa)

Poissa kolkaari

  • Nuorempi jäsen
  • **
  • Viestejä: 9
  • Maalämpöfoorumi
Rovaniemellä
135m2 omakotitalo, lämmitys-sähkön tarpeesta ei tarkkaa tietoa mutta: 1. kerroksinen,v.1974 rakennettu, painovoimainen ilmanvaihto, 3 lasiset ikkunat (ei lämpölasi), pesuhuone sauna lattialämpö (vesikierto) muu tila patterilämmityksellä (veden lämmitys: vanha jämä junior jota lämmitetään sähkövastuksilla) sekä mitsubishin ilmalämpöpumpulla. Talossa oleva mitsubishi fh25 (5 vuotta vanha) ilmalämpöpumppu riittää hyvin -20 pakkasille, lämmön tasaisuuden vuoksi kylmemmällä pattereita alkaa tarvita.

tarkoitus rakentaa 80m2 autotalli, lattialämmitys, sisäkorkeus 3,5m, lämmönsiirtokanaali 40m, nosto-ovi, tallissa tarvitaan lämmintä käyttövettä, maalämpöpumpun voisi sijoittaa talliin.

Kaipaankin neuvoja maalämmön mitoitukseen ja yleensä järkevyyteen noin pitkällä kanaalilla, maalämpö kiinnostaa huolettomuutensa vuoksi. Toisena vaihtoehtona olen miettinyt pelkän tallin lämmitystä (VILP + lattialämpö) systeemillä. Kysykää lisää jos tulee jotain.
« Viimeksi muokattu: 08.02.15 - klo:23:39 kirjoittanut tomppeli »

Poissa tomppeli

  • Yleismoderaattori
  • Konkari
  • *****
  • Viestejä: 8 878
  • yli-ikämies
Vs: OKT135m2 + autotalli 80m2 kanaali 40m maalämmön mitoitus
« Vastaus #1 : 08.02.15 - klo:23:39 »
Rovaniemellä
135m2 omakotitalo, lämmitys-sähkön tarpeesta ei tarkkaa tietoa mutta: 1. kerroksinen,v.1974 rakennettu, painovoimainen ilmanvaihto, 3 lasiset ikkunat (ei lämpölasi), pesuhuone sauna lattialämpö (vesikierto) muu tila patterilämmityksellä (veden lämmitys: vanha jämä junior jota lämmitetään sähkövastuksilla) sekä mitsubishin ilmalämpöpumpulla. Talossa oleva mitsubishi fh25 (5 vuotta vanha) ilmalämpöpumppu riittää hyvin -20 pakkasille, lämmön tasaisuuden vuoksi kylmemmällä pattereita alkaa tarvita.

tarkoitus rakentaa 80m2 autotalli, lattialämmitys, sisäkorkeus 3,5m, lämmönsiirtokanaali 40m, nosto-ovi, tallissa tarvitaan lämmintä käyttövettä, maalämpöpumpun voisi sijoittaa talliin.
Tein laskelman.
Jos olen käyttänyt siinä virheellisiä lähtötietoja, kerro ja korjaan ne.

Tämäkin laskelma on vain suuntaa antava; ei mikään takuumitoitus.
Alan ammattisuunnittelijalta saat takuumitoituksenkin!

Poissa odb

  • Nuorempi jäsen
  • **
  • Viestejä: 18
  • Hyvää ei saa halvalla..
OKT135m2 + autotalli 80m2 kanaali 40m maalämmön mitoitus
« Vastaus #2 : 09.02.15 - klo:06:31 »
Mulla on varsinais-Suomessa 2006 rakennettu talo, jossa tiloja 150 + 35m2. Osa tiloista korkeita. Pumppu 10m kanaalin päässä autotallissa. Mulla on 8kw Niben Fighter ja vieressä vpa200/300 pytty. Kalliossa reikää 170m. Paketti toimii kuin Buicki.

Eli varmaan sulla pyörisi pumppu siellä 10-12kw nurkilla ja reikä max. 200m kallioon..

Noin nopealla mutulla.


Sent from my iPad using Tapatalk

Poissa tomppeli

  • Yleismoderaattori
  • Konkari
  • *****
  • Viestejä: 8 878
  • yli-ikämies
Vs: OKT135m2 + autotalli 80m2 kanaali 40m maalämmön mitoitus
« Vastaus #3 : 09.02.15 - klo:07:44 »
Mulla on varsinais-Suomessa 2006 rakennettu talo, jossa tiloja 150 + 35m2. Osa tiloista korkeita. Pumppu 10m kanaalin päässä autotallissa. Mulla on 8kw Niben Fighter ja vieressä vpa200/300 pytty. Kalliossa reikää 170m. Paketti toimii kuin Buicki.

Kun kerrot näin, otathan huomioon tämän, mitä alla oleva kartta kertoo:


Rovaniemellä on kallioperän lämpötila vain noin puolet siitä, mitä se on Satakunnassa.
Sinulla on kaivosi kallioperän lämpötilassa pelivaraa noin 6 astetta.
Kysyjällä  se on noin 3 astetta.

Toinenkin ero on.
Sinun talosi on tehty vuoden 2006 lämpöeristämisen normien mukaan.
Kysyjän talon on rakennettu 1974!
Ja, mitoittavilla ulkolämpötiloillakin on teidän paikkakuntien välillä eroa. Senhän toki otitkin huomioon.

On hyvä käyttää huolellista harkintaa tällaisissa vertailuissa!

Poissa kolkaari

  • Nuorempi jäsen
  • **
  • Viestejä: 9
  • Maalämpöfoorumi
Vs: OKT135m2 + autotalli 80m2 kanaali 40m maalämmön mitoitus
« Vastaus #4 : 09.02.15 - klo:11:07 »
Taisi vähän mennä yläkanttiin tuo äskeinen mitoitus, pari pientä tarkennusta:

Talossa puusauna, sekä leivinuuni, talon sähkönkulutus ollut n. 19500 kwh / vuosi sisältäen käyttösähkön.

Alkoi näyttää hurjalta tuo kaivotarve 2 kpl 217m kaivoja..

Poissa tomppeli

  • Yleismoderaattori
  • Konkari
  • *****
  • Viestejä: 8 878
  • yli-ikämies
Vs: OKT135m2 + autotalli 80m2 kanaali 40m maalämmön mitoitus
« Vastaus #5 : 09.02.15 - klo:12:10 »
Taisi vähän mennä yläkanttiin tuo äskeinen mitoitus, pari pientä tarkennusta:

Talossa puusauna, sekä leivinuuni, talon sähkönkulutus ollut n. 19500 kwh / vuosi sisältäen käyttösähkön.

Alkoi näyttää hurjalta tuo kaivotarve 2 kpl 217m kaivoja..

Tässä laskelmassa on mukana tuleva autotalli. Ilman tallia ja lämpökanaalia kulutus on toki huomattavasti pienempi.
Myöskin kaivosyvyys pienenee huomattavasti.

Onhan tuo sähkön kulutus saatu aikaan ilmalämpöpumpun kanssa.?
Ilmalämpöpumpun hyötysuhde, COP on kaiketi luokkaa noin 2.
Todellinen lämpöenergian tarve on melkoisesti suurempi, kuin tuo lämpöpumpun kanssa syntynyt kulutus.

Ellei asuinrakennus ole poikkeuksellisen hyvin lämpöeristetty, pitää laskelman kulutus suunnilleen paikkansa.
Kysy mitoitusapua paikalliselta rakennus / lvi -alan ammattisuunnittelijalta.

Poissa bergvärme

  • Täysjäsen
  • ***
  • Viestejä: 150
  • Maalämpöfoorumi
Vs: OKT135m2 + autotalli 80m2 kanaali 40m maalämmön mitoitus
« Vastaus #6 : 09.02.15 - klo:17:57 »
Voitko harkita että siirrät sen ilmalämpöpumpun sinne uuteen talliin, vai onko se jo liian vanha? Laitat talliin käyttövesivaraajan ottopisteen viereen. KV-johto talliin sähkösaatolla.

Hankit sitten lämpöpumpun suoraan taloon ja vain sitä varten. Ei tule kanaalihäviöitä, LVK-kierto- sun muita häviöitä. Maalämpöpumpun voi sijoittaa vaikka näkyväksi, jokunen lattiakaivo sen vieressä olisi hyvä olla.

(PS. Ihmisillekin on sydän ja keuhkot suunniteltu keskelle (tosin piillotettuina), mutta periaatteella että saa lyhyet reitit asennuspaikkoihin  :-\)

Poissa kolkaari

  • Nuorempi jäsen
  • **
  • Viestejä: 9
  • Maalämpöfoorumi
Vs: OKT135m2 + autotalli 80m2 kanaali 40m maalämmön mitoitus
« Vastaus #7 : 11.02.15 - klo:18:13 »
Pää niin sekaisin että kaikkia vaihtoehtoja on tullut mietittyä. Yksi mielenkiinto on ollut pelkän tallin lämmitys ultimaten maalämpöpumpulla ja maapiirillä.  :D
Foorumillakaan ei vissiin kovin paljoa nuista ole kokemusta kellään?

Tontille mahtuisi maapiiriä n.300m kun oikein hyvin suunnittelee, ja lähinnä ajatuksena oli jokin ultimaten 45as maalämpöpumppu + pieni varaaja ja lattialämpö.

Jos tuo pumppu toimisi niin ei ainakaan olisi kallis laite hankkia. Koekaniinius on tietenkin aina riski.

Poissa euroshopperi

  • Konkari
  • *****
  • Viestejä: 2 874
  • Maalämpöfoorumi
Vs: OKT135m2 + autotalli 80m2 kanaali 40m maalämmön mitoitus
« Vastaus #8 : 12.02.15 - klo:14:18 »
Tuonne talliinhan voi jättää sen lämpimän veden vaikka erilliselle boilerille, jos yleensäkään tarvitsee. Lämpöpumpun sitten laittaa taloon ja vie kanaalilla vain sen tallin lattialämmön. Ei tartte mitään hullunkiertoja järjestää lämpimälle vedelle. Mä kattelin ne Ultimaten sisäosat ja päätin jättää käyttämättä sen Ultima kortin ja vedän sittenkin kanaalilla oman tallin. Ne sisukset vain oli ihan liikaa meikäläiselle ja vaikka ilmatteeksi antaisivat, niin en laita.
350m², 1000m³, kaivot 2x165m
17kW Viessmann 300 G+
390 L KVV+ 500 L puskuri LV kierukalla+
Aurinkosähkö 2022. Fronius Gen24 10 kW + 34 kpl 375 W Doubleglass  12,75 kW.

Poissa kolkaari

  • Nuorempi jäsen
  • **
  • Viestejä: 9
  • Maalämpöfoorumi
Vs: OKT135m2 + autotalli 80m2 kanaali 40m maalämmön mitoitus
« Vastaus #9 : 15.08.15 - klo:10:35 »
Nyt on sitten tämäkin projekti kuitenkin pyörähtänyt eteenpäin. Kaivonporaus 230m tilattu sekä pumppuja olisi kahta vaihtoehtoa joiden välillä valinnan vaikeus...

Talliin tulee oma pieni lämminvesivaraaja sähköllä käyttövettä varten joten ei tarvi käyttövettä kierrättää kanaalissa.
Nibe 1245 / 10kw - tarvii kuulema puskurivaraajan ja hullunkierron että tallin lattialämmityksessä/kanaalissa kiertää jatkuvasti vesi.
Oilon MH 9 - ei tarvi puskurivaraajaa ainakaan maahantuojan edustajan mukaan, olisi tilan puolesta helpompi asentaa.

Kummassakin pumpussa on ymmärtääkseni 2? vai 3 piiriä joilla voi ohjata erikseen tallin lämpöä, talon lattialämmitystä ja talon patterilämmitystä?

Tuo sana pätkäkäynti vähän pelottaa Oilonin kohdalla ilman puskurivaraajaa. Saapi sanoa mielipiteensä asiaan... hinta puoltaa kyllä nibeä.


Poissa Roori

  • Konkari
  • *****
  • Viestejä: 5 323
  • Maalämpo... Ollakko vai Ei....KYLLÄ
Vs: OKT135m2 + autotalli 80m2 kanaali 40m maalämmön mitoitus
« Vastaus #10 : 15.08.15 - klo:10:57 »
Nyt on sitten tämäkin projekti kuitenkin pyörähtänyt eteenpäin. Kaivonporaus 230m tilattu sekä pumppuja olisi kahta vaihtoehtoa joiden välillä valinnan vaikeus...

Talliin tulee oma pieni lämminvesivaraaja sähköllä käyttövettä varten joten ei tarvi käyttövettä kierrättää kanaalissa.
Nibe 1245 / 10kw - tarvii kuulema puskurivaraajan ja hullunkierron että tallin lattialämmityksessä/kanaalissa kiertää jatkuvasti vesi.
Oilon MH 9 - ei tarvi puskurivaraajaa ainakaan maahantuojan edustajan mukaan, olisi tilan puolesta helpompi asentaa.

Kummassakin pumpussa on ymmärtääkseni 2? vai 3 piiriä joilla voi ohjata erikseen tallin lämpöä, talon lattialämmitystä ja talon patterilämmitystä?

Tuo sana pätkäkäynti vähän pelottaa Oilonin kohdalla ilman puskurivaraajaa. Saapi sanoa mielipiteensä asiaan... hinta puoltaa kyllä nibeä.
kummassakaan pumpussa ei liene yhtään lisäpiirejä itsessään vaan ne on lisäpalikoita joita ehkä sulle sitten tarjottu...niben kohdalla ne lisäpalikat ei mielestäni ole
mitään halpoja, MH:stä ei tietoa mitä kalikat maksaa. Muutenkaan tuosta MHsta oikein tiedä, omasta mielestä outo kapistus, käyttövesienergialla lämmitystä, mutta jos tila
vaatii tuommosta niin onhan se silti maalämpöpumppu.  ;D
kaivoa ainakin kuulostaa olevan reippaasti noin äkkiseltään...ei haittaa jos tarvitaan ja lompakko kestää.  8)
eikös tuo Niben 'hullunkierto' ole ihan normaali lämmityskierto eikä mikään hullunkierto...
Shuntteja ainakin 2-3 tarvittaneen...jos ei se talli lämpeä esim. talon lattian paluuvedellä?

Poissa jm82

  • Konkari
  • *****
  • Viestejä: 1 483
  • Maalämpöfoorumi
Vs: OKT135m2 + autotalli 80m2 kanaali 40m maalämmön mitoitus
« Vastaus #11 : 16.08.15 - klo:01:21 »
Nyt on sitten tämäkin projekti kuitenkin pyörähtänyt eteenpäin. Kaivonporaus 230m tilattu sekä pumppuja olisi kahta vaihtoehtoa joiden välillä valinnan vaikeus...

Talliin tulee oma pieni lämminvesivaraaja sähköllä käyttövettä varten joten ei tarvi käyttövettä kierrättää kanaalissa.
Nibe 1245 / 10kw - tarvii kuulema puskurivaraajan ja hullunkierron että tallin lattialämmityksessä/kanaalissa kiertää jatkuvasti vesi.
Oilon MH 9 - ei tarvi puskurivaraajaa ainakaan maahantuojan edustajan mukaan, olisi tilan puolesta helpompi asentaa.

Kummassakin pumpussa on ymmärtääkseni 2? vai 3 piiriä joilla voi ohjata erikseen tallin lämpöä, talon lattialämmitystä ja talon patterilämmitystä?

Tuo sana pätkäkäynti vähän pelottaa Oilonin kohdalla ilman puskurivaraajaa. Saapi sanoa mielipiteensä asiaan... hinta puoltaa kyllä nibeä.
Nibe noista vaihtoehdoista. Itse "ehdottomasti" ottaisin vielä f1255 4-16 mallin joka on 1100e kalliimpi. Siinä olisi vähän enemmän tehoa. Täytyisi vaan nibeltä kysäistä että pystyykö sen tehon rajoittamaan esim tuohon samaan 10kW.
Tuon 1245 10kW mallin teho patterilämmitystaloon on 8.5kW. 55 asteiselle vedelle siis. Katsoin että 8.2kW saattaisi riittää -15 pakkaselle. Jos kaivoa ei ole vielä porattu niin voisi porata 250m kun se taitaa tuolla 1255 mallilla vielä mennä. Ja jos vielä lisäksi tontille mahtuisi se 300m maapiiri niin sekin mahtaisi auttaa vähän kaivoa. Talo kun on ilmeisesti Rovaniemellä niin lämmitys joutuu vähän kovemmalle. Niin ja voihan ilmalämöpumppuakin tietysti apuna käyttää.

Voitko harkita että siirrät sen ilmalämpöpumpun sinne uuteen talliin, vai onko se jo liian vanha? Laitat talliin käyttövesivaraajan ottopisteen viereen. KV-johto talliin sähkösaatolla.

Hankit sitten lämpöpumpun suoraan taloon ja vain sitä varten. Ei tule kanaalihäviöitä, LVK-kierto- sun muita häviöitä. Maalämpöpumpun voi sijoittaa vaikka näkyväksi, jokunen lattiakaivo sen vieressä olisi hyvä olla.

(PS. Ihmisillekin on sydän ja keuhkot suunniteltu keskelle (tosin piillotettuina), mutta periaatteella että saa lyhyet reitit asennuspaikkoihin  :-\)
Kanaalista ei tulisi lämpöhäviöitä jos sinne talliin laittaisikin uuden ilmalämpöpumpun. 40m kumminkin siirtomatkaa. Tallin vesijohdon sulanapitoa täytyisi kumminkin miettiä.
Nibe 1217-10 vm2008, 200m kaivo, vanha 400 L (puskuri)varaaja esilämmityskierukalla. Itse asenneltu 24.11.2014. -73 120m2 (165).

Poissa Roori

  • Konkari
  • *****
  • Viestejä: 5 323
  • Maalämpo... Ollakko vai Ei....KYLLÄ
Vs: OKT135m2 + autotalli 80m2 kanaali 40m maalämmön mitoitus
« Vastaus #12 : 16.08.15 - klo:13:18 »
...Täytyisi vaan nibeltä kysäistä että pystyykö sen tehon rajoittamaan esim tuohon samaan 10kW....
En ymmärrä miksi tuommoista rajoitusta pitäisi päästä tekemään, avaisitko hiukan mikä on tuon väittämän takana?

Poissa jm82

  • Konkari
  • *****
  • Viestejä: 1 483
  • Maalämpöfoorumi
Vs: OKT135m2 + autotalli 80m2 kanaali 40m maalämmön mitoitus
« Vastaus #13 : 16.08.15 - klo:15:26 »
Ymmärsin kolkaarin laittamasta viestistä että tulossa on yksi 230 metrin kaivo ja noin 9 kW tehoinen maalämpöpumppu nibeltä tai oilonilta. Jos tuon kaivon perään laittaakin isomman maalämpöpumpun jonka teho on 13.5 kW -37 pakkasessa niin taitaa olla kaivo jo jäässä? Tomppelin tekemässä suuntaa antavassa laskelmassa tarvittaisiin 2x 217 metriä aktiivisyvyyttä. Tuo siis talolle, autotallille ja kanaalille ilman ilmalämpöpumppua, leivinuunia ja puulämmitteistä kiuasta.
En ymmärrä miksi tuommoista rajoitusta pitäisi päästä tekemään, avaisitko hiukan mikä on tuon väittämän takana?
Tuo rajoitus olisi vain siksi jos näyttää siltä että kaivo alkaa mennä liikaa jäähän. Nuo kaksi muuta maalämpöpumppua taas tuntuu kohteeseen pieniltä. En tiedä oilonista mutta siinä ei ehkä riitä teho käyttöveden lämmitykseen? Ei vaan meinaa uskoa että 10kW pumpulla voisi kunnolla pärjätä. Rovaniemi ei aivan pohjoisessa ole mutta 800 km on Helsingistä Rovaniemelle.
Nibe 1217-10 vm2008, 200m kaivo, vanha 400 L (puskuri)varaaja esilämmityskierukalla. Itse asenneltu 24.11.2014. -73 120m2 (165).

Poissa tomppeli

  • Yleismoderaattori
  • Konkari
  • *****
  • Viestejä: 8 878
  • yli-ikämies
Vs: OKT135m2 + autotalli 80m2 kanaali 40m maalämmön mitoitus
« Vastaus #14 : 16.08.15 - klo:17:54 »
...
En tiedä oilonista mutta siinä ei ehkä riitä teho käyttöveden lämmitykseen?
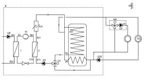
Oilon MH on perusperiaatteeltaan vaihtoventtiilikone, niin kuin Nibekin on.


Siinä mielessä molemmat tuottavat lämmintä käyttövettä ihan yhtä hyvin.
Oilonin MH -pumppu eroaa muista vaihtoventtiilikoneista siinä, että varaajan alaosaa käytetään osittain myöskin kiertoveden varaajana.
MH -pumpun sisäinen varaaja on tilavuudeltaan 220 litraa.

Poissa kolkaari

  • Nuorempi jäsen
  • **
  • Viestejä: 9
  • Maalämpöfoorumi
Vs: OKT135m2 + autotalli 80m2 kanaali 40m maalämmön mitoitus
« Vastaus #15 : 16.08.15 - klo:18:51 »
Siksi olen päätymässä 8-10 kw teholuokkaan koska saman kokoisia talli/talo/kaivo yhdistelmiä tällä seudulla tiedän ainakin yhden joka lämpiää 8kw nibellä. Katotaan miten käy... invertteripumppu kiinnostaa kyllä ajatuksena. Tallin kanaalin sulanapysymistä  ajateltu varmistaa sillä ettei kanaalissa kiertävä vesi pysähdy ollenkaan.